
产品概述
ISW系列卧式离心泵能满足用户各种狭小场合的使用,安装使用方便,泵轴同心度及叶轮好的动静平衡,保证了运行时无动静、低噪音。采用碳化硅,氟橡硬质合金机械密封,泵体过流部分壁厚加厚能保证静压高的循环系统正常使用.
工作条件
流量范围:2~1400m 3 /h
扬程范围:5~135m
介质温度:-15℃~+120℃
环境温度:≤+40℃
系统工作压力:≤1.6Mpa
产品用途
该系列产品可分为ISW卧式清水泵,ISWR卧式热水泵,ISWH卧式化工泵,ISWB卧式管道油泵,ISWD卧式低转速清水泵。
1.ISW泵适用于工业和城市给排水,高层建筑增压送水,消防增压,远距离输水,暖通制冷循环,各种给水设备,锅炉的配套使用,供输送清水或物理,化学性质类拟于清水的其它液体之用,介质温度T≤80℃。
2.ISWR泵适用于冶金、化工、纺织、造纸以及饭店、浴室、锅炉热水增压循环和城市住房采暖循环等场合,介质温度T≤120℃。
3.ISWH泵输送有腐蚀性液体,温度T≤120℃。
4.ISWB泵输送油类或易燃、易爆液体,如柴油、汽油、煤油等。
5.ISWD泵适用于要求噪音低的场合,温度T≤100℃。
五、ISW管道离心泵结构图:


性能参数表
| 泵型号 | 流量 | 扬程 (m) |
效率 (%) |
转速 (r/min) |
电机功率 (kw) |
汽蚀佘量 (m) |
|
|---|---|---|---|---|---|---|---|
| (m 3 /h) | (l/s) | ||||||
| 15-80 | 1.5 | 0.42 | 8 | 34 | 2800 | 0.18 | 2.3 |
| 20-110 | 2.5 | 0.69 | 15 | 34 | 2800 | 0.37 | 2.3 |
| 20-160 | 2.5 | 0.69 | 32 | 25 | 2900 | 0.75 | 2.3 |
| 25-110 | 4 | 1.11 | 15 | 42 | 2900 | 0.55 | 2.3 |
| 25-125 | 4 | 1.11 | 20 | 36 | 2900 | 0.75 | 2.3 |
| 25-125A | 3.6 | 1.0 | 16 | 35 | 2900 | 0.55 | 2.3 |
| 25-160 | 4 | 1.11 | 32 | 32 | 2900 | 1.5 | 2.3 |
| 25-160A | 3.7 | 1.03 | 28 | 31 | 2900 | 1.1 | 2.3 |
| 32-125 | 5 | 1.39 | 20 | 44 | 2900 | 0.75 | 2.3 |
| 32-125A | 4.5 | 1.25 | 16 | 43 | 2900 | 0.5 | 2.3 |
| 40-100 | 6.3 | 1.75 | 12.5 | 54 | 2900 | 0.55 | 2.3 |
| 40-100A | 5.6 | 1.56 | 10 | 52 | 2900 | 0.37 | 2.3 |
| 40-125 | 6.3 | 1.75 | 20 | 46 | 2900 | 1.1 | 2.3 |
| 40-125A | 5.6 | 1.56 | 16 | 45 | 2900 | 0.75 | 2.3 |
| 40-160 | 6.3 | 1.75 | 32 | 40 | 2900 | 2.2 | 2.3 |
| 40-160A | 5.9 | 1.64 | 28 | 39 | 2900 | 1.5 | 2.3 |
| 40-160B | 5.5 | 1.53 | 24 | 38 | 2900 | 1.1 | 2.3 |
| 40-200 | 6.3 | 1.75 | 50 | 33 | 2900 | 4.0 | 2.3 |
| 40-200A | 5.9 | 1.64 | 44 | 31 | 2900 | 3.0 | 2.3 |
| 40-200B | 5.3 | 1.47 | 36 | 29 | 2900 | 2.2 | 2.3 |
| 40-250 | 6.3 | 1.75 | 80 | 28 | 2900 | 7.5 | 2.3 |
| 40-250A | 5.9 | 1.64 | 70 | 28 | 2900 | 5.5 | 2.3 |
| 40-250B | 5.5 | 1.53 | 60 | 27 | 2900 | 4.0 | 2.3 |
| 40-100(I) | 12.5 | 3.47 | 12.5 | 62 | 2900 | 1.1 | 2.3 |
| 40-100(I)A | 11 | 3.05 | 10 | 60 | 2900 | 0.75 | 2.3 |
| 40-125(I) | 12.5 | 3.47 | 20 | 58 | 2900 | 1.5 | 2.3 |
| 40-125(I)A | 11 | 3.05 | 16 | 57 | 2900 | 1.1 | 2.3 |
| 40-160(I) | 12.5 | 3.47 | 32 | 52 | 2900 | 3.0 | 2.3 |
| 40-160(I)A | 11.7 | 3.25 | 28 | 51 | 2900 | 2.2 | 2.3 |
| 40-160(I)B | 10.4 | 2.89 | 22 | 50 | 2900 | 1.5 | 2.3 |
| 40-200(I) | 12.5 | 3.47 | 50 | 46 | 2800 | 5.5 | 2.3 |
| 40-200(I)A | 11.7 | 3.25 | 44 | 45 | 2900 | 4.0 | 2.3 |
| 40-200(I)B | 10.6 | 2.94 | 36 | 44 | 2900 | 3 | 2.3 |
| 40-250(I) | 12.5 | 3.47 | 80 | 38 | 2900 | 11 | 2.3 |
| 40-250(I)A | 11.6 | 3.22 | 70 | 38 | 2900 | 7.5 | 2.3 |
| 40-250(I)B | 10.8 | 3.0 | 60 | 37 | 2900 | 7.5 | 2.3 |
| 40-250(I)C | 10.0 | 2.78 | 52 | 36 | 2900 | 5.5 | 2.3 |
| 50-100 | 12.5 | 3.47 | 12.5 | 62 | 2900 | 1.1 | 2.3 |
| 50-100A | 11 | 3.05 | 10 | 60 | 2900 | 0.75 | 2.3 |
| 50-125 | 12.5 | 3.47 | 20 | 58 | 2900 | 1.5 | 2.3 |
| 50-125A | 11 | 3.05 | 16 | 57 | 2900 | 1.1 | 2.3 |
| 50-160 | 12.5 | 3.47 | 32 | 52 | 2900 | 3.0 | 2.3 |
| 50-160A | 11.7 | 3.25 | 28 | 51 | 2900 | 2.2 | 2.3 |
| 50-160B | 10.4 | 2.89 | 22 | 50 | 2900 | 1.5 | 2.3 |
| 50-200 | 12.5 | 3.47 | 50 | 46 | 2900 | 5.5 | 2.3 |
| 50-200A | 11.7 | 3.25 | 44 | 45 | 2900 | 4.0 | 2.3 |
| 50-200B | 10.6 | 2.94 | 36 | 44 | 2900 | 3 | 2.3 |
| 50-250 | 12.5 | 3.47 | 80 | 38 | 2900 | 11 | 2.3 |
| 50-250A | 11.6 | 3.22 | 70 | 38 | 2900 | 7.5 | 2.3 |
| 50-250B | 10.8 | 3.0 | 60 | 37 | 2900 | 7.5 | 2.3 |
| 50-250C | 10.0 | 2.78 | 52 | 36 | 2900 | 5.5 | 2.3 |
| 50-100(I) | 25 | 6.94 | 12.5 | 69 | 2900 | 1.5 | 2.5 |
| 50-100(I)A | 22.3 | 6.19 | 10 | 67 | 2900 | 1.1 | 2.5 |
| 50-125(I) | 25 | 6.94 | 20 | 68 | 2900 | 3.0 | 2.5 |
| 50-125(I)A | 22.3 | 6.19 | 16 | 66 | 2900 | 2.2 | 2.5 |
| 50-160(I) | 25 | 6.94 | 32 | 63 | 2900 | 4.0 | 2.5 |
| 50-160(I)A | 23.4 | 6.5 | 28 | 62 | 2900 | 4.0 | 2.5 |
| 50-160(I)B | 21.6 | 6.0 | 24 | 58 | 2900 | 3.0 | 2.5 |
| 50-200(I) | 25 | 6.94 | 50 | 58 | 2900 | 7.5 | 2.5 |
| 50-200(I)A | 23.5 | 6.53 | 44 | 57 | 2900 | 7.5 | 2.5 |
| 50-200(I)B | 21.8 | 6.06 | 38 | 55 | 2900 | 5.5 | 2.5 |
| 50-250(I) | 25 | 6.94 | 80 | 50 | 2900 | 15 | 2.5 |
| 50-250(I)A | 23.4 | 6.5 | 70 | 50 | 2900 | 11 | 2.5 |
| 50-250(I)B | 21.6 | 6.0 | 60 | 49 | 2900 | 11 | 2.5 |
| 50-315(I) | 25 | 6.94 | 125 | 40 | 2900 | 30 | 2.5 |
| 50-315(I)A | 23.7 | 6.58 | 113 | 40 | 2900 | 22 | 2.5 |
| 50-315(I)B | 22.5 | 6.25 | 101 | 39 | 2900 | 18.5 | 2.5 |
| 50-315(I)C | 20.6 | 5.72 | 85 | 38 | 2900 | 15 | 2.5 |
ISW型卧式管道离心泵(曲线图谱):

卧式离心泵结构图:

1 电动机:直接与水泵联接传送动力,采用名牌电机。
2 泵轴:与电机同轴,为电机加长轴,确保了轴的同心,使泵运转平稳。无噪音和振动现象,采用镀铬处理,增强了使用寿命。
3 挡水圈:防止因密封漏水而使电机进水。
4 机械密封:采用不锈钢、碳化钨、氟橡胶等材料制成。平衡式耐高温。高压机械密封,运行寿命长,不渗漏,对轴无磨损,不积水垢,保证工作环境的整洁。
5 取压塞:可安装压力表直观监控泵的正常高效运行
6 泵体:压出塞和吸入室采用优秀水力模型设计而成,既美观又高效,设有安装底脚,便于安装和运行稳固。
7 放气塞:灌泵时排净泵内空气,保证了泵的正常启动。
8 叶轮:采用的水力模型设计而成,具有高效率,可靠性好等特点。
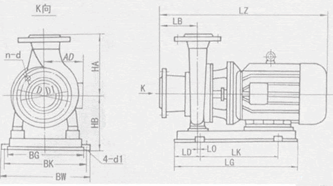
ISW管道离心泵(安装尺寸):


ISW型卧式管道离心泵(故障原因及排除方法)
| 故障现象 | 故障原因 | 排除方法 |
|---|---|---|
| 1、水泵不出水 | a、进出口阀门未打开,进出管路堵塞,流道叶轮堵塞。 b、电机运行方向不对,电机缺相转速很慢。 c、吸入管漏气。 d、泵没灌满液体,泵腔内有空气。 e、进口供水不足,吸程过高,底阀漏水。 f、管路阻力过大,泵选型不当。 |
a、检查,去除堵塞物。 b、调整电机方向,紧固电机接线。 c、拧紧各密封面,排除漏气。 d、灌满液体并打开排气阀,排尽空气。 e、停机,检查、调整(并网自来水管或带吸程使用易出现此现象)。 f、减少管路弯道,重新选泵。 |
| 2、水泵流量不足 | a、先按1.原因检查。 b、管道、泵流道叶轮部分堵塞,水垢陈积,阀门开度不足。 c、电压偏低。 d、叶轮磨损。 |
a、先按1.排除。 b、去除堵塞物,重新调整阀门开度。 c、稳压。 d、更换叶轮。 |
| 3、功率过大 | a、超过额定流量使用。 b、吸程过高。 c、泵轴承磨损。 |
a、调节流量,关小出口阀门。 b、降低。 c、更换轴承。 |
| 4、杂音振动 | a、管路支撑不稳。 b、液体混有气体。 c、产生汽蚀。 d、轴承损坏。 e、电机超载发热运行。 |
a、稳固管路。 b、提高吸入压力排气。 c、降低真空度。 d、更换轴承。 e、调整按5。 |
| 5、电机发热 | a、流量过大,超载运行。 b、碰擦。 c、电机轴承损坏。 d、电压不足。 |
a、关小出口阀。 b、检查排除。 c、更换轴承。 d、稳压。 |
| 6、水泵漏水 | a、机械密封磨损。 b、泵体有砂孔或破裂。 c、密封面不平整。 d、安装螺栓松懈。 |
a、更换。 b、焊补或更换。 c、修整。 d、紧固。 |
起动与停车
起动前准备:泵的维护
1、运行中的维护: (2)进口管道必须充满液体,禁止泵在汽蚀状态下长期运行。(2)定时检查电机电流値,不得超过电机颔定电流。(3)泵进行长期运行后,由于机械磨损,使机组噪音及振动增大时,应停车检查,必要时可更換易损零件及轴承,机组大修期一般为一年。